ЭФФЕКТИВНЫЕ РЕШЕНИЯ В ОБЛАСТИ МЕТАЛЛООБРАБОТКИ

EMCO VERTICAL VT 160

  • Высокодинамичный привод
  • Приводные инструменты
  • Ось Y +/- 65 мм
  • Система ЧПУ Siemens 828D




ТЕХНИЧЕСКИЕ ХАРАКТЕРИСТИКИ


КЛЮЧЕВЫЕ ОСОБЕННОСТИ

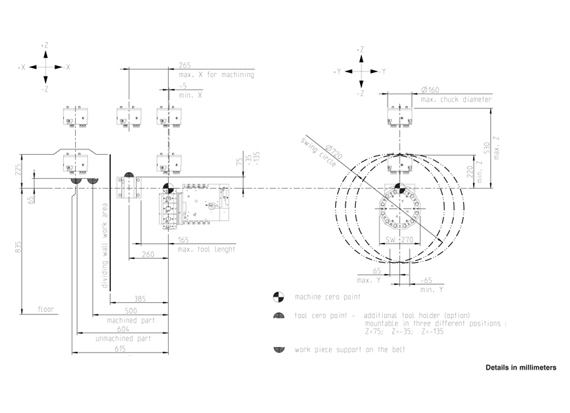
Рабочая зона

  • Перемещение по осям X/Y/Z: 620/ [+/- 65] / 310 мм
  • Макс. обтачиваемый диаметр: 160 мм
  • Макс. длина заготовки: 150 мм
  • Диаметр патрона: 160 мм
  • Проворачиваемый диаметр над станиной: 160 мм
  • Быстрый ход по осям X/Y/Z: 60 / 15 / 30 м/мин
  • Малая занимаемая площадь
  • Широкие возможности автоматизации
  • Высокодинамичный привод
  • Высокая стабильность
  • Быстрая смена инструмента

Шпиндель

  • Скорость: 0-7000 об/мин
  • Мощность: 21 кВт
  • Крутящий момент: 150 Нм

Револьверная голова

  • Количество инструментов/из них приводных: 12 / 12
  • Хвостовик инструмента: VDI30
  • Скорость приводного инструмента: 5000 об/мин
  • Мощность приводного инструмента: 6,7 кВт
  • Крутящий момент приводного инструмента: 25 Нм
БРОШЮРА EMCO VERTICAL VT 160

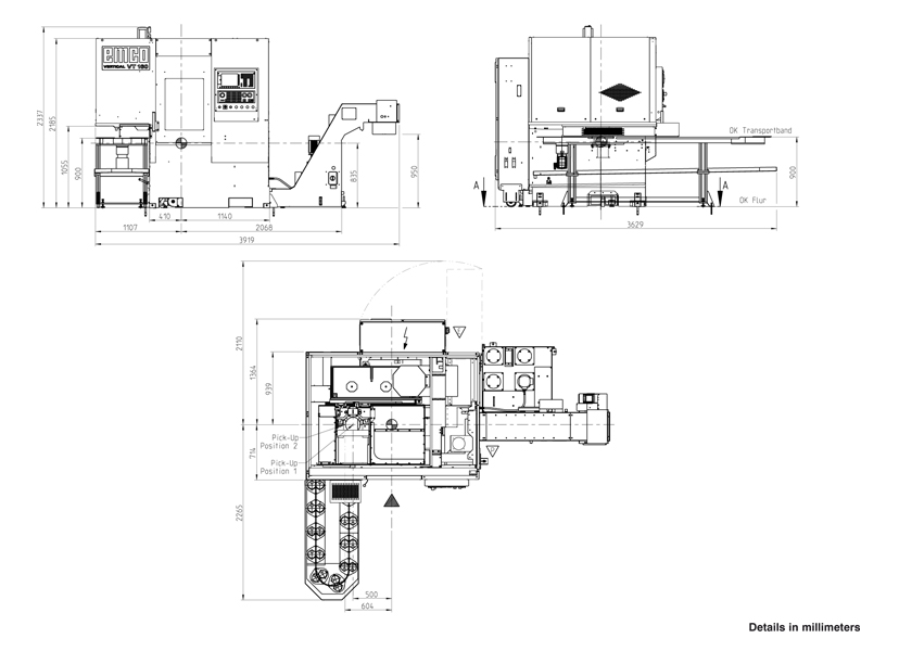
Габариты и вес

  • Габаритный размер (ДхШхВ): 2240х2185х2360 мм
  • Вес: 3400 кг




ГАБАРИТНЫЙ ЧЕРТЁЖ


ЧЕРТЁЖ РАБОЧЕЙ ЗОНЫ