ЭФФЕКТИВНЫЕ РЕШЕНИЯ В ОБЛАСТИ МЕТАЛЛООБРАБОТКИ

MAXXTURN 95

  • Мощный главный шпиндель с механическим тормозом
  • Револьверная голова с приводными позициями
  • Ось Y
  • Система ЧПУ Siemens
  • Люнет для обработки валов
  • Программируемая задняя бабка




ТЕХНИЧЕСКИЕ ХАРАКТЕРИСТИКИ


КЛЮЧЕВЫЕ ОСОБЕННОСТИ

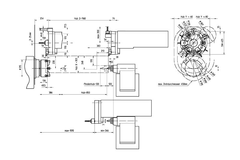
Рабочая зона

  • Перемещение по осям X/Y/Z: 303 / 140 / 1160 мм
  • Диаметр обрабатываемого прутка: 95 мм
  • Макс. диаметр точения: 450 мм
  • Макс. диаметр проворота над станиной: 700 мм
  • Быстрый ход по осям X/Y/Z: 24/12/30 м/мин
  • Термостабильная конструкция
  • Высокая точность обработки
  • Стабильная ось Y с большим ходом
  • 12 приводных инструментов VDI40
  • Высокая скорость линейных перемещений
  • Компактность

Главный шпиндель

  • Макс. скорость вращения 3500 об/мин
  • Макс. мощность 33 кВт
  • Макс. крутящий момент 800 Нм

Револьверная голова

  • Количество инструментов/из них приводных: 12 / 12
  • Размер VDI: 40
  • Макс. скорость: 4000 об/мин
  • Макс. мощность: 8 кВт
  • Макс. крутящий момент: 35 Нм
БРОШЮРА MAXXTURN 95

Задняя бабка

  • Конус: МК4
  • Перемещение: 850 мм

Габариты и вес

  • Габаритные размеры (ДхШхВ): 4750х2050х2200 мм
  • Вес станка: 10400 кг




ГАБАРИТНЫЙ ЧЕРТЁЖ


ЧЕРТЁЖ РАБОЧЕЙ ЗОНЫ