ЭФФЕКТИВНЫЕ РЕШЕНИЯ В ОБЛАСТИ МЕТАЛЛООБРАБОТКИ

MAXXTURN 65

  • Главный шпиндель и контршпиндель
  • Револьверная голова с приводными позициями
  • Ось Y
  • Система ЧПУ Siemens или Fanuc
  • Устройство подачи прутка (опция)
  • Портальный загрузчик заготовок (опция)




ТЕХНИЧЕСКИЕ ХАРАКТЕРИСТИКИ


КЛЮЧЕВЫЕ ОСОБЕННОСТИ

Рабочая зона

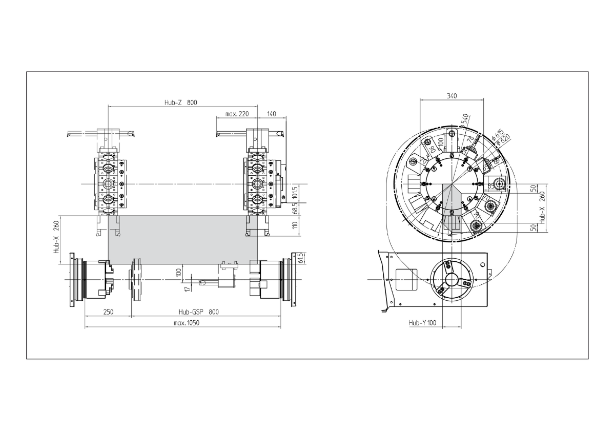
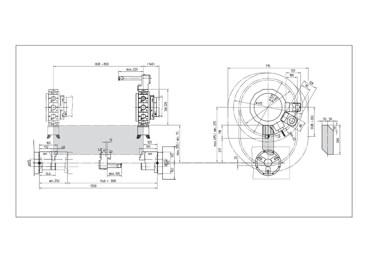
  • Перемещение по осям X/Y/Z: 260 / [+ / - 40] / 800 мм
  • Диаметр обрабатываемого прутка: 65 (76 / 95) мм
  • Макс. диаметр точения: 500 мм
  • Макс. диаметр проворота над станиной: 660 мм
  • Быстрый ход по осям X/Y/Z: 30/12/30 м/мин
  • Термостабильная конструкция
  • Высочайшая точность
  • Контршпиндель и ось Y с большим ходом
  • 12 приводных инструментов
  • Высокая скорость линейных перемещений
  • Компактность

Главный шпиндель/контршпиндель

  • Макс. скорость вращения 5000 об/мин
  • Макс. мощность 21 / 29 кВт
  • Макс. крутящий момент 200 / 250 Нм

Револьверная голова

  • Количество инструментов/из них приводных: 12 / 12
  • Размер VDI: 30 / 40
  • Макс. скорость: 5000 об/мин
  • Макс. мощность: 6,7 кВт
  • Макс. крутящий момент: 25 Нм
БРОШЮРА MAXXTURN 65

Габариты и вес

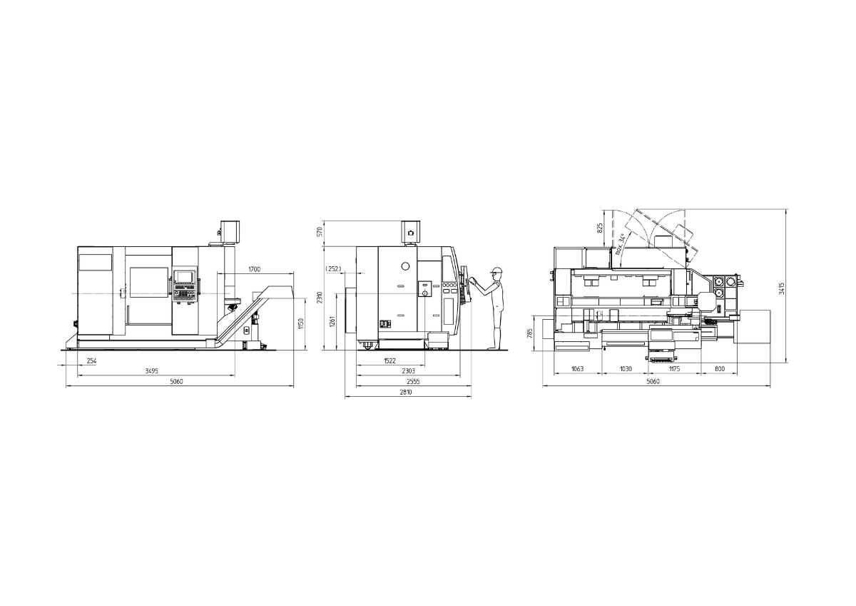
  • Габаритные размеры (ДхШхВ): 5300х2750х2355 мм
  • Вес станка: 6000 кг




ГАБАРИТНЫЙ ЧЕРТЁЖ


ЧЕРТЁЖ РАБОЧЕЙ ЗОНЫ BMT55


ЧЕРТЁЖ РАБОЧЕЙ ЗОНЫ VDI30
ЧЕРТЁЖ РАБОЧЕЙ ЗОНЫ VDI40