ЭФФЕКТИВНЫЕ РЕШЕНИЯ В ОБЛАСТИ МЕТАЛЛООБРАБОТКИ

MAXXTURN 45

  • Главный шпиндель и контршпиндель
  • Револьверная голова с приводными позициями
  • Ось Y
  • Система ЧПУ Siemens или Fanuc
  • Устройство подачи прутка (опция)
  • Автоматический загрузчик заготовок Swing Loader (опция)




ТЕХНИЧЕСКИЕ ХАРАКТЕРИСТИКИ


КЛЮЧЕВЫЕ ОСОБЕННОСТИ

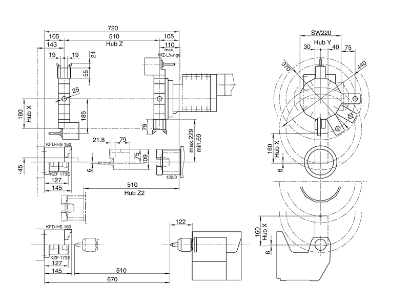
Рабочая зона

  • Перемещение по осям X/Y/Z: 100 / [+20 / - 15] / 510 мм
  • Диаметр обрабатываемого прутка: 45 (51) мм
  • Макс. диаметр точения: 300мм
  • Макс. диаметр проворота над станиной: 430 мм
  • Быстрый ход по осям X/Y/Z: 30/15/45 м/мин
  • Высокая термостабильность конструкции
  • Высочайшая точность обработки
  • Контршпиндель и ось Y для комплексной обработки
  • 12 приводных инструментов
  • Высокая скорость линейных перемещений
  • Компактность

Главный шпиндель

  • Макс. скорость вращения 6300 об/мин
  • Макс. мощность 13 кВт
  • Макс. крутящий момент 78 Нм

Контршпиндель

  • Макс. скорость вращения 6300 об/мин
  • Макс. мощность 10 кВт
  • Макс. крутящий момент 43 Нм

Револьверная голова

  • Количество инструментов/из них приводных: 12 / 12
  • Размер VDI: 25
  • Макс. скорость: 6000 об/мин
  • Макс. мощность: 4 кВт
  • Макс. крутящий момент: 16 Нм
БРОШЮРА MAXXTURN 45

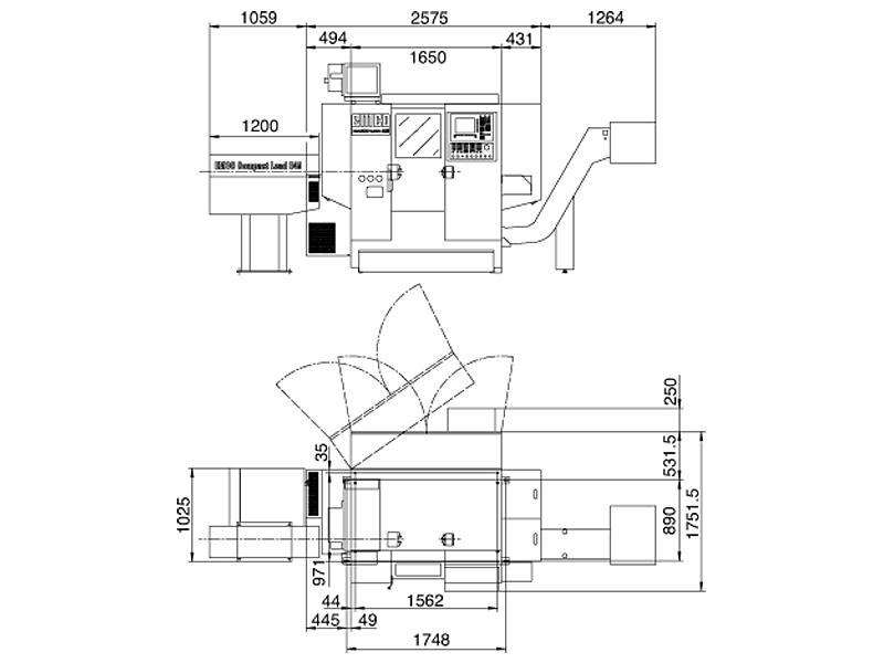
Габариты и вес

  • Габаритные размеры (ДхШхВ): 2575х1790х1958 мм
  • Вес станка: 4000 кг




ГАБАРИТНЫЙ ЧЕРТЁЖ


ЧЕРТЁЖ РАБОЧЕЙ ЗОНЫ