ЭФФЕКТИВНЫЕ РЕШЕНИЯ В ОБЛАСТИ МЕТАЛЛООБРАБОТКИ

MAXXTURN 25

  • Главный шпиндель и контршпиндель
  • Револьверная голова с приводными позициями
  • Ось Y
  • Система ЧПУ Siemens или Fanuc
  • Устройство подачи прутка (опция)




ТЕХНИЧЕСКИЕ ХАРАКТЕРИСТИКИ


КЛЮЧЕВЫЕ ОСОБЕННОСТИ

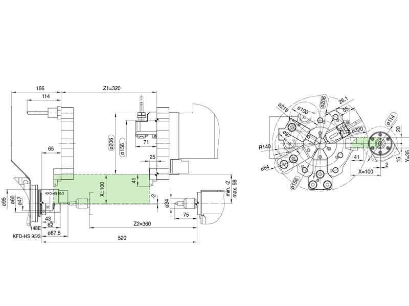
Рабочая зона

  • Перемещение по осям X/Y/Z: 100 / [+20 / - 15] / 320 мм
  • Диаметр обрабатываемого прутка: 25,4 мм
  • Макс. диаметр точения: 114 мм
  • Макс. диаметр проворота над станиной: 325 мм
  • Быстрый ход по осям X/Y/Z: 20/10/30 м/мин
  • Большой диапазон скоростей обработки
  • Контршпиндель и ось Y для комплексной обработки
  • 6 приводных инструментов
  • Высокая скорость линейных перемещений
  • Компактность

Главный шпиндель

  • Макс. скорость вращения 8000 об/мин
  • Макс. мощность 6,5 кВт
  • Макс. крутящий момент 30 Нм

Контршпиндель

  • Макс. скорость вращения 8000 об/мин
  • Макс. мощность 3,5 кВт
  • Макс. крутящий момент 20 Нм

Револьверная голова

  • Количество инструментов/из них приводных: 12 / 6
  • Размер VDI: 25
  • Макс. скорость: 6000 об/мин
  • Макс. мощность: 4 кВт
  • Макс. крутящий момент: 16 Нм
БРОШЮРА MAXXTURN 25

Габариты и вес

  • Габаритные размеры (ДхШхВ): 2650х1950х1985 мм
  • Вес станка: 4200 кг




ГАБАРИТНЫЙ ЧЕРТЁЖ


ЧЕРТЁЖ РАБОЧЕЙ ЗОНЫ

Maxxturn 25 с контршпинделем


Maxxturn 25 с задней бабкой