ЭФФЕКТИВНЫЕ РЕШЕНИЯ В ОБЛАСТИ МЕТАЛЛООБРАБОТКИ

HYPERTURN 95

  • 2 шпинделя с осью С
  • 2 револьверных головы
  • мощный фрезерный шпиндель
  • приводные инструменты на обоих револьверных головах


ТЕХНИЧЕСКИЕ ХАРАКТЕРИСТИКИ


КЛЮЧЕВЫЕ ОСОБЕННОСТИ


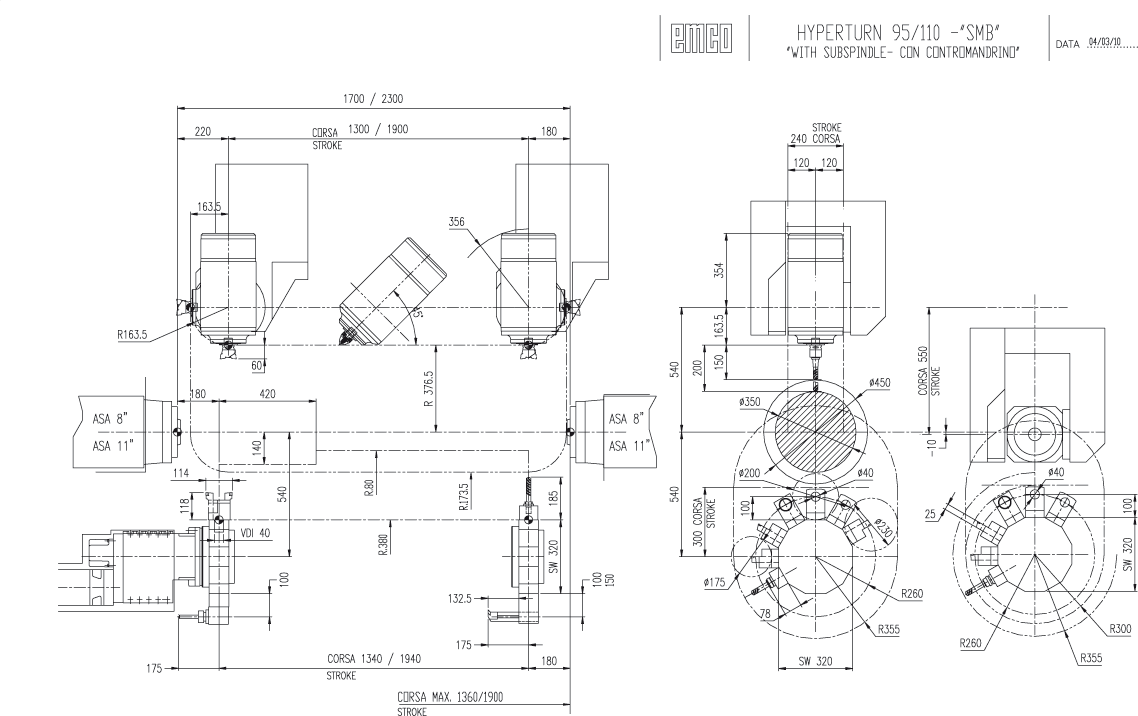
Рабочая зона

  • Перемещение по оси X1 с револьверной головой: 340 мм
  • Перемещение по оси X1 с осью В: 550 мм
  • Перемещение по оси X2: 300 мм
  • Перемещение по оси Y6 +/- 120 мм
  • Перемещение по оси Z1 с револьверной головой: 1340 / 1940 мм
  • Перемещение по оси Z1 с осью В: 1300 / 1900 мм
  • Перемещение по оси Z2: 1340 / 1940 мм
  • Расстояние между торцами шпинделей: 1700 / 2300 мм
  • Макс. диаметр точения: 710мм
  • Макс. диаметр проворота над станиной: 720 мм
  • Быстрый ход по осям X/Y/Z: 30/15/30 м/мин
  • Два шпинделя для комплексной обработки деталей
  • Стабильная и точная ось С для высокоточного контурного фрезерования и фрезерно-токарных операций
  • Большая рабочая зона для обработки крупногабаритных заготовок
  • Фрезерный шпиндель с осью В - диапазон поворота 210 град.
  • Модульная конструкция станка

Главный шпиндель/контршпиндель

  • Макс. скорость вращения 3500 об/мин
  • Макс. мощность 33 кВт
  • Макс. крутящий момент 800 Нм

Револьверная голова

  • Количество инструментов/из них приводных: 2х12 / 2х12
  • Размер VDI: 40
  • Макс. скорость: 4000 об/мин
  • Макс. мощность: 14 кВт
  • Макс. крутящий момент: 45 Нм
БРОШЮРА HYPERTURN 95

Фрезерный шпиндель

  • Макс. скорость: 7000 / 12000 об/мин
  • Мощность: 21,5 кВт
  • Крутящий момент: 128 Нм
  • Диапазон поворота: 210 град.

Инструментальный магазин

  • Инструментальный конус: HSK-63A
  • Количество инструментов: 40 / 80 поз.

Габариты и вес

  • Габаритные размеры (ДхШхВ): 8450/9100x3050x2500 мм
  • Вес станка: 18000 - 22000 кг




ЧЕРТЁЖ РАБОЧЕЙ ЗОНЫ HYPERTURN 95 SMB


ЧЕРТЁЖ РАБОЧЕЙ ЗОНЫ HYPERTURN 95 SM2Y