ЭФФЕКТИВНЫЕ РЕШЕНИЯ В ОБЛАСТИ МЕТАЛЛООБРАБОТКИ

HYPERTURN 45

  • 2 шпинделя
  • 2 револьверных головы
  • Приводные инструменты на обоих револьверных головах
  • Ось Y
  • Автоматизация с системой подачи прутка и загрузчиком SwingLoader



ТЕХНИЧЕСКИЕ ХАРАКТЕРИСТИКИ


КЛЮЧЕВЫЕ ОСОБЕННОСТИ

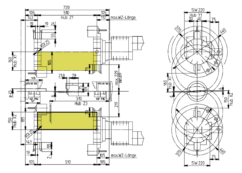
Рабочая зона

  • Перемещение по осям X/Y/Z: 160 / [+40 -30] / 510 мм
  • Диаметр обрабатываемого прутка: 45 (51) мм
  • Макс. диаметр точения: 300мм
  • Макс. диаметр проворота над станиной: 430 мм
  • Быстрый ход по осям X/Y/Z: 30/15/45 м/мин
  • Высокодинамичные приводы по всем осям
  • Два высокопроизводительных шпинделя
  • Две 12-ти позиционных револьверных головы
  • Стабильная ось Y с ходом 70 мм
  • Современная система управления
  • Компактный эргономичный дизайн

Главный шпиндель/контршпиндель

  • Макс. скорость вращения 7000 об/мин
  • Макс. мощность 15 кВт
  • Макс. крутящий момент 100 Нм




Револьверная голова

  • Количество инструментов/из них приводных: 12 / 12
  • Размер VDI: 25
  • Макс. скорость: 6000 об/мин
  • Макс. мощность: 4 кВт
  • Макс. крутящий момент: 16 Нм
БРОШЮРА HYPERTURN 45

Габариты и вес

  • Габаритные размеры (ДхШхВ): 2650х1950х1985 мм
  • Вес станка: 4200 кг




ГАБАРИТНЫЙ ЧЕРТЁЖ


ЧЕРТЁЖ РАБОЧЕЙ ЗОНЫ