ЭФФЕКТИВНЫЕ РЕШЕНИЯ В ОБЛАСТИ МЕТАЛЛООБРАБОТКИ

EMCOTURN E45

  • Главный шпиндель и контршпиндель (опция)
  • Револьверная голова с приводными позициями
  • Ось Y
  • Система ЧПУ Siemens или Fanuc
  • Устройство подачи прутка (опция)




ТЕХНИЧЕСКИЕ ХАРАКТЕРИСТИКИ


КЛЮЧЕВЫЕ ОСОБЕННОСТИ

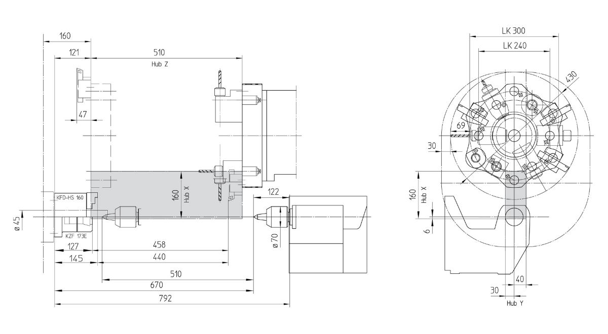
Рабочая зона

  • Перемещение по осям X/Y/Z: 160 / [+40 / - 30] / 510 мм
  • Диаметр обрабатываемого прутка: 45 (51) мм
  • Макс. диаметр точения: 220 мм
  • Макс. диаметр проворота над станиной: 430 мм
  • Быстрый ход по осям X/Y/Z: 24/ 10 /30 м/мин
  • Чрезвычайно жёсткая и компактная конструкция
  • Ось C на главном шпинделе и контршпинделе
  • Удобный доступ к рабочей зоне
  • Термосимметричная конструкция

Главный шпиндель

  • Макс. скорость вращения 6300 об/мин
  • Макс. мощность 13 кВт
  • Макс. крутящий момент 78 Нм

Контршпиндель

  • Макс. скорость вращения 6300 об/мин
  • Макс. мощность 10 кВт
  • Макс. крутящий момент 42 Нм

Револьверная голова осевая

  • Количество инструментов/из них приводных: 12 / 6
  • Размер VDI: 30
  • Макс. скорость: 5000 об/мин
  • Макс. мощность: 4 кВт
  • Макс. крутящий момент: 16 Нм
БРОШЮРА EMCOTURN E45

Револьверная голова радиальная (версия с контршпинделем)

  • Количество инструментов/из них приводных: 12 / 12
  • Размер VDI: 25
  • Макс. скорость: 6000 об/мин
  • Макс. мощность: 4 кВт
  • Макс. крутящий момент: 16 Нм

Габариты и вес

  • Габаритные размеры (ДхШхВ): 2575х1760х1960 мм
  • Вес станка: 3300 / 4000 кг






ЧЕРТЁЖ РАБОЧЕЙ ЗОНЫ


Emcoturn E45 с задней бабкой

Emcoturn E45 с контршпинделем




https://www.emco-world.com/uploads/tx_commerce/Arbeitsraum_Stirnmitnehmer_E45_02.pnghttps://www.emco-world.com/typo3temp/_processed_/2/7/csm_Revolver_21_be4d0d5264.pnghttps://www.emco-world.com/uploads/tx_commerce/Arbeitsraum_E45_mit_Ggsp_01.png