ЭФФЕКТИВНЫЕ РЕШЕНИЯ В ОБЛАСТИ МЕТАЛЛООБРАБОТКИ

EMCOTURN E25


  • Высокоскоростной главный шпиндель с осью С
  • 12-ти поз. револьверная голова VDI16
  • Приводные инструменты
  • Задняя бабка с автоматической пинолью
  • Система управления Siemens 828D или Fanuc 0iTD




ТЕХНИЧЕСКИЕ ХАРАКТЕРИСТИКИ


КЛЮЧЕВЫЕ ОСОБЕННОСТИ

Рабочая зона

  • Перемещение по осям X/Y/Z: 100 / - / 300 мм
  • Диаметр обрабатываемого прутка: 25,5 мм
  • Макс. диаметр точения: 85 мм
  • Макс. диаметр проворота над станиной: 250 мм
  • Быстрый ход по осям X/Y/Z: 15/ - /24 м/мин
  • Высокая точность обработки
  • Очень компактная жёсткая конструкция станка
  • Высокая термостабильность
  • Отличная эргономика

Главный шпиндель

  • Макс. скорость вращения 6300 об/мин
  • Макс. мощность 5,5 кВт
  • Макс. крутящий момент 35 Нм

Револьверная голова

  • Количество инструментов/из них приводных: 12 / 6
  • Размер VDI: 16
  • Макс. скорость: 6000 об/мин
  • Макс. мощность: 1,2 кВт
  • Макс. крутящий момент: 4 Нм
БРОШЮРА EMCOTURN E25

Габариты и вес

  • Габаритные размеры (ДхШхВ): 1700х1270х1820 мм
  • Вес станка: 1100 кг




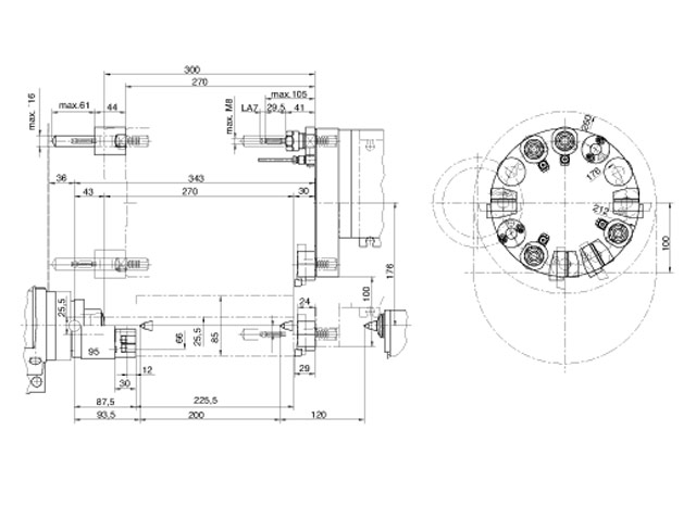
ГАБАРИТНЫЙ ЧЕРТЁЖ


ЧЕРТЁЖ РАБОЧЕЙ ЗОНЫ

Emcoturn E25 TC


Emcoturn E25 TCM